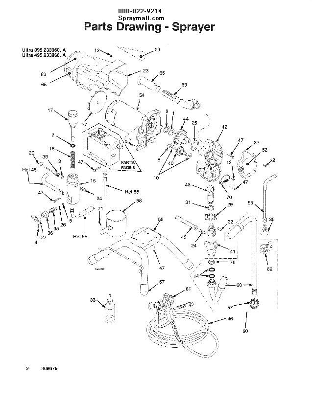
Click to enlargeSprayer Breakdown Skid Mount<br><br>Click Image to Enlarge<br><br>Order Help Line 888-822-9214


Sprayer Breakdown
Skid Mount
spbr

For More Information & Specifications Call
 888-822-9214